
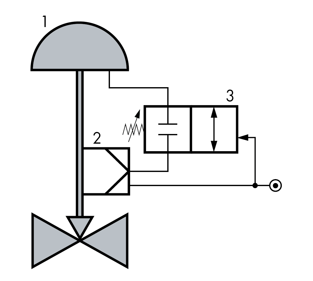
Los relés de bloqueo se utilizan para bloquear la tubería de presión de mando de los accionamientos neumáticos. Cierran la conducción de la presión de mando de la válvula de control cuando la presión de alimentación falla o no alcanza un valor previamente ajustado. El accionamiento permanece en su última posición.
El relé de bloqueo SAMSON Tipo 3709 está disponible en diversas ejecuciones para diferentes montajes y caudales. Todas las ejecuciones se caracterizan por un cómodo ajuste del punto de conmutación mediante un tornillo de ajuste fácilmente accesible.
Todas las ejecuciones están disponibles en acero inoxidable o aluminio.
El orden de montaje de los equipos depende de la función deseada. En el esquema el relé de bloqueo está conectado entre el accionamiento y la electroválvula. De esta manera la función del relé de bloqueo tiene prioridad frente a la función de la electroválvula.
Tipos recomendados:
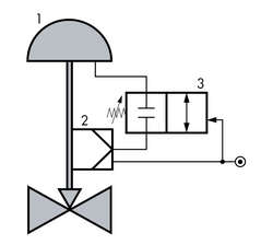
Tipo 3709-7 y 3709-8 por su montaje compacto estilo sándwich en combinación con un accionamiento rotativo. El relé de bloqueo se monta sin ser necesario tubeado entre la electroválvula y el accionamiento.
1 Accionamiento – 2 Posicionador – 3 Relé de bloqueo – 4 Electroválvula
Los accesorios completan las válvulas de control neumáticas para ofrecer soluciones a casi cualquier aplicación. Desde hace más de 100 años, SAMSON desarrolla y fabrica válvulas, accionamientos y accesorios de alta calidad. Gracias a nuestra experiencia y competencia, así como a los requerimientos del cliente, ha habido un desarrollo continuo de los componentes individuales y se ha optimizado su interacción.
Aquí encontrará más detalles acerca de los accesorios y su conexión: